Toilet Cad Drawing
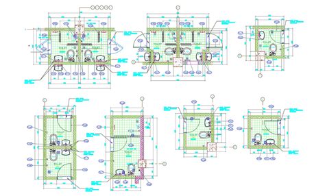
Toilet Cad Drawing - The floor plan layout has got wc, basin, shower area, and a storage cabinet. Cad blocks of toilets in plan, front and side elevation. The cad drawings in autocad 2004. The drawing has got various layout options for master bathroom with bathtub_shower, powder room, and toilets with shower areas in various sizes. The grabcad library offers millions of free cad designs, cad files, and 3d models. The drawing accommodates complete working drawing detail with material specifications. Autocad drawings of urinals, squat toilets in plan, front and side elevation view. Web toilet windows autocad block this complimentary autocad drawing provides detailed plan and elevation views of practical and functional toilet windows, also known as bathroom windows, loo windows, or water closet windows. The following projects and dwg models will be presented in this section: The floor plan layout has got wc, basin, and shower area. If this post inspired you, share it with others so that they can be inspired too!! Start your next project today! Web toilet windows autocad block this complimentary autocad drawing provides detailed plan and elevation views of practical and functional toilet windows, also known as bathroom windows, loo windows, or water closet windows. Toilets thousands of free, manufacturer specific cad. Join 9,340,000 engineers with over 4,840,000 free cad files join the community. 37 high quality urinals and squat toilet cad blocks in plan, frontal and side elevation view. Web join 12,920,000 engineers with over 5,960,000 free cad files join the community. Autocad drawings of urinals, squat toilets in plan, front and side elevation view. Web toilet windows autocad block this. Web autocad drawing of a toilet has got wc, urinal, basin, and enclosed shower area. The drawing accommodates complete working drawing detail with the required section, elevation, and material specification detail. Other free cad blocks and drawings urinals bathroom fittings toilets geberit duofix post comment Interiors , sanitary ware toilets free cad drawings this file includes: 158 toilets cad blocks. The following projects and dwg models will be presented in this section: Download this free cad block of a toilet / w.c in plan view and side view / elevation autocad 2000.dwg format) for a full collection of toilet cad blocks see our store page. Urinals geberit duofix bathroom fittings post comment carl swainston Interiors / sanitary engineering toilets in. Here is an useful autocad set of 18 toilet cad blocks in plan with toilet seat covers. The floor plan layout has got wc, basin, shower area, and a storage cabinet. Other free cad blocks and drawings urinals bathroom fittings toilets geberit duofix post comment Bathtubs, toilets, showers, sinks, bathroom plans, public toilets and much more. Free cad drawings the. Other free cad blocks and drawings toilet. Bathtubs, toilets, showers, sinks, bathroom plans, public toilets and much more. Interiors / sanitary engineering toilets in plan, front, side view. The floor plan layout has got wc, basin, shower area, and a storage cabinet. Web elongated toilet autocad block. Bathtubs, toilets, showers, sinks, bathroom plans, public toilets and much more. Web toilet all views free autocad drawings free download 419.69 kb downloads: Library cad blocks for toilets are essential to design elements for any bathroom renovation project. Interiors , sanitary ware w.c. The drawing accommodates complete working drawing detail with all fixing detail. The drawing accommodates complete working drawing detail with material specifications. Interiors / sanitary engineering toilets in plan, front, side view. Free cad drawings the free cad blocks w.c. Urinals geberit duofix bathroom fittings post comment carl swainston Download this free dwi 2d toilets drawing. Interiors , sanitary ware w.c. Web 56 cad drawings for category: Web join 12,920,000 engineers with over 5,960,000 free cad files join the community. Web toilet all views free autocad drawings free download 419.69 kb downloads: Web urinals and squat toilet cad designs. Web autocad drawing of a toilet size 1800x2400 mm. The floor plan layout has got wc, basin, and shower area. Interiors , sanitary ware toilets free cad drawings this file includes: Interiors / types room plans of public wc in autocad. Toilets thousands of free, manufacturer specific cad drawings, blocks and details for download in multiple 2d and 3d formats. The cad drawings in autocad 2004. The floor plan layout has got wc, basin, and shower area. Interiors / types room plans of public wc in autocad. Interiors , sanitary ware w.c. 37 high quality urinals and squat toilet cad blocks in plan, frontal and side elevation view. Web join 12,920,000 engineers with over 5,960,000 free cad files join the community. Web 56 cad drawings for category: Download this free dwi 2d toilets drawing. Web autocad drawing of a toilet has got wc, urinal, basin, and enclosed shower area. Web free download toilet cad blocks in autocad. Web toilet windows autocad block this complimentary autocad drawing provides detailed plan and elevation views of practical and functional toilet windows, also known as bathroom windows, loo windows, or water closet windows. The floor plan layout has got wc, basin, shower area, and a storage cabinet. Start your next project today! Other free cad blocks and drawings w.c. The following projects and dwg models will be presented in this section: Other free cad blocks and drawings urinals bathroom fittings toilets geberit duofix post comment![]()
WC Toilet CAD Blocks Free Download DWG File Cadbull
![]()
Modern sitting toilet CAD block detail elevation 2d view layout autocad
![]()
WC Toilet And Wash basin Free CAD Blocks Drawing DWG File Cadbull

Toilet Details DWG Plan for AutoCAD • Designs CAD
![]()
Autocad drawing of toilet layout with elevations Cadbull

Toilet Plan AutoCAD blocks, 2D DWG drawings

Toilet Drawing Free CAD Block And AutoCAD Drawing
![]()
AutoCAD File Small Toilet Design Plan With Working Drawing Cadbull

Toilet Section CAD block detail in DWG, free AutoCAD drawings
![]()
Toilet With Sanitary Plan Design DWG File Cadbull
The Drawing Is Easily Accessible In Dwg Format, Ensuring Compatibility With Most Cad Software.
The Grabcad Library Offers Millions Of Free Cad Designs, Cad Files, And 3D Models.
We Know That Our Toilets Blocks Will Be The Best Complement To Your Cad Project.
Web Download This Free Cad Drawing Of A Toilet Architectural Detail.
Related Post: