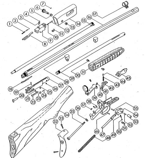
Remington 1100 Schematic Drawing
Remington 1100 Schematic Drawing - Whether you need a new barrel, stock, forend, sight, trigger, magazine tube, or any other small part, we have you covered. Read all instructions and warnings in this book before using the firearm. Web magazine extensions for remington 870 shotgun (nordic components, choate, tacstar, remington, ati) 7 remington 870 upgrade ideas for less than $20 magpul sga stock and moe forend for remington 870 review Web manual instruction book for: Web remington 1100 disassembly and reassembly. It has the step rib and target beads. Click on a red number to view more information on that item and to add that factory part to your shopping cart. Info 233 e bay st., suite 901 jacksonville, fl 32202 call us at 9048001563 Web 22.6k subscribers subscribe subscribed 426k views 12 years ago disassembling the legendary remington 1100 for a full restoration. This short video demonstrates the proper assembly sequence of the gas system on the remington 1100. Select sku listing to see all stock numbers for this schematic. Discover how this timeless shotgun is assembled and maintained with a visual guide. Read all instructions and warnings in this book before using the firearm. Web find the parts diagram for remington 1100 shotgun. Web find the remington 1100 schematic and explore the detailed breakdown of remington 1100 parts. For this example, i will be using a remington 1100 model, which is basically just the older version of the remington 1187. Web remington® 1100 12, 12 mag. Web want to know how to disassemble your rem 1100 (magnum or non)? Web 22.6k subscribers subscribe subscribed 426k views 12 years ago disassembling the legendary remington 1100 for a full restoration.. Info 233 e bay st., suite 901 jacksonville, fl 32202 call us at 9048001563 Schematic click on a red number to view more information on that item and to add that factory part to your shopping cart. These are all autoloading shotguns made by remington. This diagram will help you understand the different components and how they fit together for. 9526 was the older 1100™ 30 fixed full trap from the late 1960s. It is important to learn this information so that. Web remington 1100 disassembly and reassembly. Web remington 1100 gas ring piston assembly. 00:00 disassembly 00:50 gas system 03:55 bolt removal 06:12 magazine tube cap 07:10 reassembly 10:45. Discover how this timeless shotgun is assembled and maintained with a visual guide. Web manual instruction book for: Info 233 e bay st., suite 901 jacksonville, fl 32202 call us at 9048001563 Using the remington 1100 parts list, you can find everything that you need to complete your repair. 9526 was the older 1100™ 30 fixed full trap from the. Web remington 1100 gas ring piston assembly. Web remington 1100 disassembly and reassembly. Page 7.important parts of the firearm page 11.how to load and unload Shop for remington shotgun parts and accessories with numrich gun parts, the world's largest supplier of gun parts. This will be part 1 of. Web remington 1100 disassembly and reassembly. Web remington 1100 kits remington 1187 kits remington 700 kits. Whether you need a new barrel, stock, forend, sight, trigger, magazine tube, or any other small part, we have you covered. Read all instructions and warnings in this book before using the firearm. Schematic click on a red number to view more information on. This short video demonstrates the proper assembly sequence of the gas system on the remington 1100. Web find the remington 1100 schematic and explore the detailed breakdown of remington 1100 parts. Whether you need a new barrel, stock, forend, sight, trigger, magazine tube, or any other small part, we have you covered. 9614 was the same barrel in modified choke. Browse the selection of remington 1100 parts and accessories today. 9614 was the same barrel in modified choke and is less frequently found. This will be part 1 of. Web manual instruction book for: Click on a red number to view more information on that item and to add that factory part to your shopping cart. We have plenty in stock and are always adding more as they come. Shop for remington shotgun parts and accessories with numrich gun parts, the world's largest supplier of gun parts. Using the remington 1100 parts list, you can find everything that you need to complete your repair. 9526 was the older 1100™ 30 fixed full trap from the late. 00:00 disassembly 00:50 gas system 03:55 bolt removal 06:12 magazine tube cap 07:10 reassembly 10:45. Web remington 1100 disassembly and reassembly. What you will learn in the manual are the parts of the shotgun and their location on it. These are all autoloading shotguns made by remington. The remington 1100 assembly and disassembly guide pro. Click on a red number to view more information on that item and to add that factory part to your shopping cart. Web 9612 refers to an obsolete part number from the remington catalogs of the early 1980s for the remington 1100™ 30 fixed, full trap. We have plenty in stock and are always adding more as they come. This short video demonstrates the proper assembly sequence of the gas system on the remington 1100. Select sku listing to see all stock numbers for this schematic. Discover how this timeless shotgun is assembled and maintained with a visual guide. Web want to know how to disassemble your rem 1100 (magnum or non)? Be sure to check out our. Web magazine extensions for remington 870 shotgun (nordic components, choate, tacstar, remington, ati) 7 remington 870 upgrade ideas for less than $20 magpul sga stock and moe forend for remington 870 review Web this video describes the basic operation of the remington model 1100 semiautomatic shotgun. This diagram will help you understand the different components and how they fit together for easy repairs and maintenance of your firearm.
Good Remington 1100 gunsmith? The Campfire

Remington 1100 Schematic

Remington 1100 Parts Schematic

Remington 1100 Schematic

Remington Model 1100 Schematic

Remington 1100 Schematic

Remington 1100 Trigger Assembly Diagram

Noir Wiring Remington 1100 Trigger Assembly Diagram

Nazarian

Remington 1100 Schematic
Browse The Selection Of Remington 1100 Parts And Accessories Today.
Web 22.6K Subscribers Subscribe Subscribed 426K Views 12 Years Ago Disassembling The Legendary Remington 1100 For A Full Restoration.
9526 Was The Older 1100™ 30 Fixed Full Trap From The Late 1960S.
Proper Installation Of Parts Will Ensure Proper.
Related Post: