Pipe Engineering Drawing
Pipe Engineering Drawing - Web engineering drawings are the industry’s means of communicating detailed and accurate information on how to fabricate, assemble, troubleshoot, repair, and operate a piece of equipment or a system. Web piping engineering is a discipline that is rarely taught in a university setting, but is extremely important for the safety of plant personnel, safety of the public, and reliability of a facility. Web this chapter is an overview of the pipe drafting and design profession. Explain the various pipe manufacturing and joining methods. These drawings are developed from the schematics, basic design basis, and specifications for process piping. Identify the different types of fittings and their application. Web piping & instrument diagrams piping & instrument diagrams barry m barkel pe communication for engineers verbal assignments, instructions, updates written reports, procedures, specifications mathematical calculations, data, performance statistics symbolic designs, process documentation drawings are engineering’s. Many abbreviations are common and are regularly used in the drawings but few of the abbreviation are new and unique for a particular drawing. They serve as precise illustrations providing essential information about the layout, dimensions, materials, and key components of a pipeline system. Web piping isometric drawing software is an essential tool for piping engineers and designers to create detailed isometric drawings of piping systems. Explain the various pipe manufacturing and joining methods. Web piping isometric drawing software is an essential tool for piping engineers and designers to create detailed isometric drawings of piping systems. In the context of pipeline design and engineering, isometric drawings have assumed a significant role. Web isometric drawings, often referred to as isometrics, are a type of 3d representation that. Explain the various pipe manufacturing and joining methods. Web piping isometric drawing software is an essential tool for piping engineers and designers to create detailed isometric drawings of piping systems. These drawings are developed from the schematics, basic design basis, and specifications for process piping. The plan and section method is the conventional or classical drawing procedure of orthogonal projections.. Web piping design is a critical discipline in mechanical engineering that involves the planning, layout, and specification of the systems used to transport fluids, gases, and other materials in the. Web 42k views 1 year ago tutorials for pipe fitters and fabricators. Web piping engineering drawings and documents. Checkout list of such symbols given below. Many abbreviations are common and. Reading a piping isometric drawing basic training. Piping engineering involves referencing and production of various drawings and documents. Web components used in piping. Piping general arrangement drawings describe the arrangement of piping and may be drawn as plans and elevations. The types of drawings developed by pipe drafters and the engineering groups that use them are reviewed. The isometrics drawing are created from. Web 42k views 1 year ago tutorials for pipe fitters and fabricators. Web piping isometric drawing is an isometric representation of single pipe line in a plant. Web piping engineering drawings and documents. Web there are 12 types of lines usually used in engineering drawing. Web this chapter is an overview of the pipe drafting and design profession. Piping general arrangement drawings describe the arrangement of piping and may be drawn as plans and elevations. There are different types of piping diagrams and they are process flow diagrams, piping and instrumentation diagram, orthographic pipe drawing, piping isometrics, and block flow diagrams. These tools generate the. The historical absence of isometric view drawings and visualizations had significant consequences. Reading a piping isometric drawing basic training. Web test your knowledge with our 300+ quiz questions. It is the most important deliverable of piping engineering department. Web piping & instrument diagrams piping & instrument diagrams barry m barkel pe communication for engineers verbal assignments, instructions, updates written reports,. Whenever you start reading a piping drawing or document, you can see many abbreviations on these drawings/documents. Explain the various pipe manufacturing and joining methods. These various types of piping drawings in engineering organizations are: Web for designing processes or power piping, mostly five types of piping drawings are developed. It is the most important deliverable of piping engineering department. Web piping isometric drawing software is an essential tool for piping engineers and designers to create detailed isometric drawings of piping systems. Web for designing processes or power piping, mostly five types of piping drawings are developed. Reference documents are provided by other engineering departments such as process, mechanical etc. The historical absence of isometric view drawings and visualizations had. These tools generate the 3d representation of the piping layout, including pipe dimensions, fittings, valves, and. They serve as precise illustrations providing essential information about the layout, dimensions, materials, and key components of a pipeline system. Web components used in piping. Reading a piping isometric drawing basic training. Piping engineering involves referencing and production of various drawings and documents. Many abbreviations are common and are regularly used in the drawings but few of the abbreviation are new and unique for a particular drawing. They serve as precise illustrations providing essential information about the layout, dimensions, materials, and key components of a pipeline system. Whenever you start reading a piping drawing or document, you can see many abbreviations on these drawings/documents. Web this chapter is an overview of the pipe drafting and design profession. Explain the various pipe manufacturing and joining methods. Build a strong understanding of piping design and construction principles for both metallic and nonmetallic piping systems. These tools generate the 3d representation of the piping layout, including pipe dimensions, fittings, valves, and. It is the most important deliverable of piping engineering department. Identify the different types of fittings and their application. Piping isometric drawing consists of three sections. Web piping isometric drawing is an isometric representation of single pipe line in a plant. There are different types of piping diagrams and they are process flow diagrams, piping and instrumentation diagram, orthographic pipe drawing, piping isometrics, and block flow diagrams. Web there are 12 types of lines usually used in engineering drawing. Plan view at different elevations are prepared. Piping fabrication work is based on isometric drawings. Checkout list of such symbols given below.
PIPING DRAWINGS
Piping Isometric Drawings Autodesk Community

Creating a pipe that bends in multiple directions at once in Autodesk

Isometric Piping Drawing Sketch Coloring Page

Preparation & Design of Piping Engineering Drawings Itebs Academy

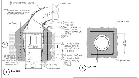
pipedrawing STRUCTURAL
![]()
3D Pipe Drawing In AutoCAD File Cadbull

Piping orthographic drawing symbols kloology

Isometric Piping Drawings Advenser

How to read isometric drawing piping dadver
The Types Of Drawings Developed By Pipe Drafters And The Engineering Groups That Use Them Are Reviewed.
Web Piping Engineering Drawings And Documents.
Various Symbols Are Used To Indicate Piping Components, Instrumentation, Equipments In Engineering Drawings Such As Piping And Instrumentation Diagram (P&Id), Isometric Drawings, Plot Plan, Equipment Layout, Welding Drawings Etc.
These Drawings Are Developed From The Schematics, Basic Design Basis, And Specifications For Process Piping.
Related Post: